Domeniul alimentar

Reabilitarea fabricii de semințe

Avem experiență în modernizarea electrică și de automatizare a unei fabrici de semințe. Aceasta a inclus calculul automat al rutelor și descărcarea automată din SAP către PLC-urile fabricii.

Tratament al apei

Avem experiență în modernizarea electrică și de automatizare a unui sistem de tratament al apei pentru un oraș. Acest proiect a implicat dezvoltarea unui sistem de automatizare pentru control local și la distanță al apei uzate și potabile.

 

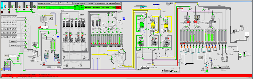
Poze proiect berarie Ursus:

Contact Icon
Servicii complete de proiectare și execuție a instalațiilor electrice și sistemelor de automatizare industrialăe - Electromar Engineering SRL | Servicii complete de proiectare și execuție a instalațiilor electrice și sistemelor de automatizare industrială - Înapoi Sus